(一)线型及其含义:


(二)水、汽管道代号:


(三)工艺管道施工图常用图例:


(四)水、汽管道阀门和附件图例:


(五)给排水、采暖常用图例:

(六)通风空调工程常用图例:

(七)风道代号:

(八)风道、阀门及附件图例:


(九)风口和附件代号:

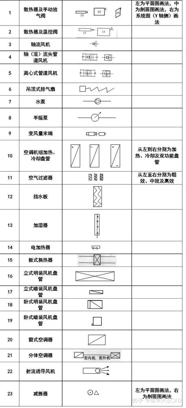
(十)暖通空调设备图例:

(十一)调控装置及仪表图例:


各种执行机构可与风阀、水阀组合 表示相应功能的控制阀门。
(十二)消防工程基本图形符号:

暖通空调、给排水、消防CAD图例符号大全与画法
(十三)消防工程辅助符号:

(十四)消防工程灭火器符号:

(十五)消防管路及配件符号:

(十六)消防工程固定灭火器系统符号:

(十七)消防工程灭火设备安装处符号:


(十八)消防工程自动报警设备符号:

(十九)管道图例:


暖通空调、给排水、消防CAD图例符号大全与画法
(二十)管道附件:


(二十一)管道连接:

(二十二)管件:

(二十三)常见阀门:


(二十四)给水配件:

(二十五)小型给水排水构筑物:

(二十六)给水排水设备:

(二十七)仪表:

(二十八)管道和设备布置平面图、剖面图示例:
管道和设备布置平面图应按假象除去上层板后俯视规则绘制,其相应的垂直剖面图应在平面图中表明剖切符号。


(二十九)平面图、剖面图索引符号的画法:
平面图、剖面图中的局部需另绘详图时,应在平、剖面图上标注索引符号。索引符号的画法见下图。

暖通空调、给排水、消防CAD图例符号大全与画法
(三十)内视符号画法
当表示局部位置的相互关系,在平面图上应标注内视符号。

(三十一)系统编号
1、一个工程设计中同时有供暖、通风、空调等两个及以上的不同系统时,应进行系统编号。
2、暖通空调系统编号、入口编号,应由系统代号和顺序号组成。
3、系统代号用大写拉丁字母表示,顺序号用阿拉伯数字表示。当一个系统出现分支时,可采用下图的画法。
(三十二)系统代号


(三十三)立管号的画法
竖向布置的垂直管道系统,应标注立管号,在不一致引起误解时,可只标注序号,但应与建筑轴线编号有明显区别。

(三十四)管道相对标高的画法:
1、在无法标注垂直尺寸的图样中,应标注标高。标高应以m为单位,并应精确到cm或mm。
2、标高符号应以直角等腰三角形表示。当面标准层较多时,可只标注与本层楼(地)板面的相对标高。
3、水、汽管道所标高未予说明时,应表示为管中心标高。
4、水、汽管道标注管道外底或顶标高时,应在数字前加“底”或“顶”字样。
5、矩形风管所注标高应表示管底标高;圆形风管所注标高应表示管中心标高。当不采用此方法标注时,应进行说明。
6、平面图中无坡度要求的管道标高可标注在管道截面尺寸后的括号内。必要时,应在标高数字前加“底”或“顶”的字样。

(三十五)管道截面尺寸的标注符号及画法:
1、低压流体输送用焊接管道规格应标注公称通径或压力。公称通径的标记应由字母“DN”后跟一个以亳米表示的数值组成;公称压力的代号应为“PN”。
2、输送流体用无缝钢管、螺旋缝或直缝焊接钢管、铜管、不锈钢管,当需要注明外径和壁厚时,应用“D(或Φ)外径×壁厚”表示。在不致引起误解时,也可采用公称通径表示。
3、塑料管外径应用“de”表示。
4、圆形风管的截面定型尺寸应以直径“Φ”表示,单位应为mm.
5、矩形风管(风道)的截面定型尺寸应以“A×B”表示。“A”应为该视图投影面的边长尺寸,“B”应为另一边尺雨。A、B单位均应为mm。
6、水平管道的规格宜标注在管道的上方;竖向管道的规格宜标注在管道的左侧。双线表示的管道,其规格可标注在管道轮廓线内。
(三十六)多条管线的规格标注方法:

(三十七)风口、散流器表示方法:

(三十八)定位尺寸的表示方法:

(三十九)单线管道转向的画法:

(四十)双线管道转向的画法:

(四十一)单线管道分支的画法:

(四十二)双线管道分支的画法:

(四十三)送风管转向的画法:

(四十四)回风管转向的画法

(四十五)管道断开的画法
平面图、剖视图中管道因重叠、密集需断开时,应采用断开画法。管道在本图中断,转至其他图面表示(或由其他图面引来)时,应注明转至(或来自的)的图纸编号。

(四十六)管道交叉的画法:

(四十七)管道跨越的画法:
